扫码观看视频
添加微信客服
新浪微博 |
0791-88335967 |
手机版
简体中文版
网站首页
关于我们
新闻资讯
公司新闻
行业动态
营改增专题
产品中心
青山大禹系列软件
工程项目管理系统
产品订购信息提交
下载中心
程序下载
教程下载
资料下载
江西地区信息价
湖北地区信息价
在线视频
在线视频教程
江西水利学院资源库
长江工程职院资源库
互动问答
知识手册
江西政府采购电子卖场
商品网上超市
商品服务超市
您现在的位置:
网站首页
>>
新闻资讯
>>
营改增专题
>>
查看详情
公司新闻
行业动态
营改增专题
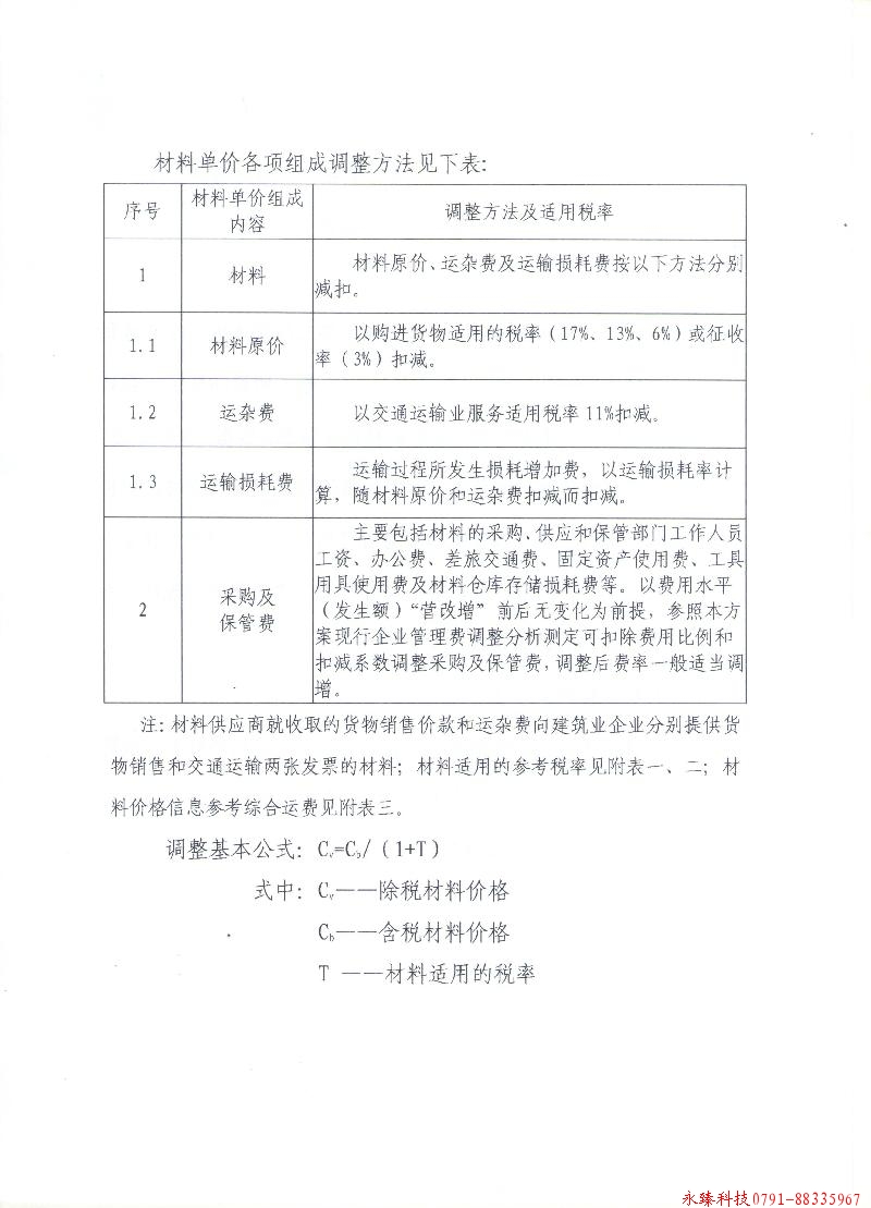
<转>鄂交造价[2016]11号 湖北省交通建设工程主要材料信息价营改增计价依据调整方案
来源:
www.zjz.hbjt.gov.cn
日期:
2016-05-10 00:00:00
属于:
营改增专题
湖北省交通建设
工程
主要材料
信息
价营改增计价依据调整方案
鄂交
造价
[2016]11号
标签:
鄂交造价[2016]11号
湖北省
交通建设工程
主要材料
信息价
营改增
计价依据
调整方案
上一营改增:
<转>冶金定(2016)10号 冶金工业建设工程营业税改征增值税计价依据调整的实施方案的补充通知
下一营改增:
<转>冶金定(2016)9号 冶金工业建设工程营业税改征增值税计价依据调整的实施方案
关于我们
新闻资讯
公司新闻
行业动态
营改增专题
产品中心
青山大禹系列软件
工程项目管理系统
产品订购信息提交
下载中心
程序下载
教程下载
资料下载
江西地区信息价
湖北地区信息价
在线视频
在线视频教程
江西水利学院资源库
长江工程职院资源库
手机:
13687915654
电话:
0791-88335967
邮件:
yzkjgs@aliyun.com
地址:
南昌市.高新区.昌东大道(南昌)中兴软件园3#
南昌永臻科技有限公司
赣ICP备13002936号
Powered by YouDianCMS
赣公安网备 36010902000046号
关闭
关闭