公开征求《关于贯彻执行<建设工程工程量清单计价标准>及九项专业工程工程量计算标准的实施意见(征求意见稿)》意见的通知
为贯彻执行《建设工程工程量清单计价标准》(GB/T 50500—2024)及《房屋建筑与装饰工程工程量计算标准》(GB/T 50854—2024)等九项专业工程工程量计算标准,落实工程造价市场化改革要求,结合全省实际,我厅起草了《关于贯彻执行<建设工程工程量清单计价标准>(GB/T 50500-2024)及九项专业工程工程量计算标准的实施意见(征求意见稿)》,现向社会公开征求意见。公众可通过以下途径和方式提出反馈意见:
1.电子邮箱:cfzxzb@zjt.jiangxi.gov.cn。
2.通信地址:江西省南昌市省府北一路16号省城镇发展服务中心工程服务处,邮编:330046。
意见反馈截止日期为2025年9月17日。
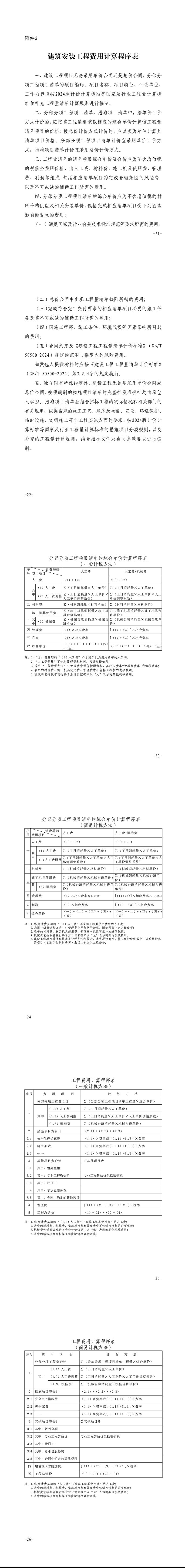
附件:关于贯彻执行《建设工程工程量清单计价标准》及九项专业工程工程量计算标准的实施意见(征求意见稿).pdf
江西省住房和城乡建设厅办公室
2025年9月8日



手机:13687915654 电话:0791-88335967
邮件:yzkjgs@aliyun.com