为综合反映水电工程投资随国家政策及市场情况的变化趋势,发挥工程造价管理部门积累价格资料、分析变化趋势、发布价格信息的作用,为政府和业主的水电建设项目投资决策和造价控制管理提供参考数据,经综合测算,现发布2024年下半年水电建筑及设备安装工程价格指数,供有关各方和业内专业人员参考使用。在使用中如有问题,请与我站联系。
地址:北京市东城区安定门外大街甲57号、乙57号
邮编:100011
电话:010-51973256
传真:010-51975398
E-mail: cqchenwen@foxmail.com.
网址:http://www.hydrocost.org.cn
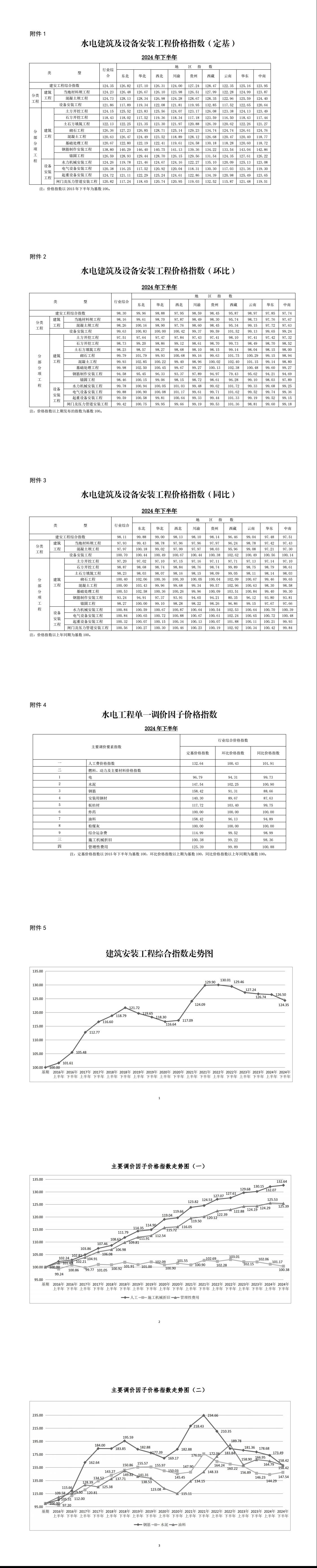
5.建安工程综合指数及主要调价因子价格指数走势图


手机:13687915654 电话:0791-88335967
邮件:yzkjgs@aliyun.com